본문 바로가기

Embeded Programming/Electronic Circuit

RS232를 지원하는 AVR ISP 회로

336x280(권장), 300x250(권장), 250x250, 200x200 크기의 광고 코드만 넣을 수 있습니다.

직렬 포트를 사용한 ATmega ISP 회로가 이미 공개되어 있었네요.
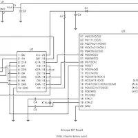
아래 회로는 Microsoft Visio로 다시 그린 것입니다. (클릭하면 크게 볼 수 있습니다.)

출처 사이트는 아래와 같습니다.

 

http://diy4fun.blogspot.com/2009/01/simple-serial-programmer-for-avr.html
http://www.rocket.pe.kr/10

 

어떤 종류이든 ATmega라면 공통적으로 VCC, /RESET, MISO, MOSI, SCK 단자만 연결하면
PC와 통신이 가능한 것이겠죠?

 

VCC : 전압을 가하는 단자
GND : 접지와 연결하는 단자
/RESET : 평상시에는 항상 1이 입력되다가 프로그램 덮어 쓸 경우에는 접지시켜 0을 입력함.
MOSI(Master Out Slave In) : Download 하는 단자 (즉, PC에서 AVR로 신호가 들어가는 단자)
MISO(Master In Slabe Out) : Upload하는 단자 (즉, AVR에서 PC로 신호가 나가는 단자)
SCK : MOSI 또는 MISO의 전송 클록 (SCK가 한번 깜빡일때 MOSI/MISO로 1비트의 데이터 흐름)

'Embeded Programming > Electronic Circuit' 카테고리의 다른 글

ATmega8535 실습 기판  (0) 2012.02.19
D-SUB 인터페이스 – 1부. Intro  (0) 2011.08.10
버퍼용 IC 74HC244  (0) 2011.07.17
RS232 ISP 회로를 직접 구현.  (0) 2011.07.15
ISP 보드 회로도입니다.  (0) 2011.07.10